欢迎光临江苏宏力称重设备有限公司官方网站!
扫描添加微信
网站首页
在线留言
联系我们
|
江苏宏力称重设备有限公司
全国免费热线
18262992219
-
网站首页
-
关于我们
公司简介
企业文化
企业风貌
生产设备
荣誉资质
资料下载
服务中心
城市分站
-
产品展示
包装系统
灌装系统
配料系统
检重系统
吊钩秤
电子地磅
称重模块
称重仪表
称重传感器
电子汽车衡
机器人系列
防爆叉车秤
防爆电子台秤
电子衡器配件
便携式轴重秤
反应釜称重系统
防爆秤
畜牧秤
-
客户案例
化工领域
农业领域
物流领域
农业领域
零售领域
制药领域
-
新闻动态
公司新闻
行业新闻
常见问题
-
旗下专题网站
宏力称重官方网站
电子汽车衡专题网站
称重模块专题网站
电子台秤专题网站
包装灌装专题网站
-
在线预购
联系我们
热门关键词:
包装系统
灌装系统
配料系统
检重系统
吊钩秤
电子地磅
称重模块
称重仪表
称重传感器
电子汽车衡
当前位置:
首页
>>
产品展示
>>
称重传感器
产品中心
Product Center
包装系统
敞口袋包装秤
阀口袋包装秤
吨袋包装秤
定量包装秤
灌装系统
5L液体灌装秤
30L液体灌装秤
300L液体灌装秤
1000L液体灌装秤
配料系统
检重系统
吊钩秤
电子地磅
称重模块
称重仪表
称重传感器
电子汽车衡
机器人系列
防爆叉车秤
防爆电子台秤
电子衡器配件
便携式轴重秤
反应釜称重系统
防爆秤
畜牧秤
<
>
H3 称重传感器
关键词:H3 称重传感器
【品牌】:宏力
【起 定 量】:≥1台
【产品库存】:999台
【咨询电话】:18262992219
产品概述:
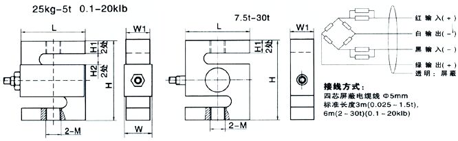
H3产品描述:合金钢材料,镀镍,S型结构,胶封,拉向或压向承载;防护等级IP67 ;适用于吊钩秤、机改秤、料斗秤等各类电子称重设备。技术指标:额定载荷t0.025/0.05/0.1/0.25/0.5/0.75/1/1.5/2/2.5/5lb···
在线咨询
产品详情
H3
产品描述:
合金钢材料,镀镍,S型结构,胶封,拉向或压向承载;
防护等级IP67 ;
适用于吊钩秤、机改秤、料斗秤等各类电子称重设备。
技术指标:
转载请注明出处(H3 称重传感器:
http://www.cnhongli.cn/chuanganqi/108.html
)
上一条:
HL6FZ 称重传感器
下一条:
HM9L 鱼背式称重传感器
相关产品
DHM14CD柱式数字 称重传感器
DHM9Bd10桥式数字 称重传感器
BM14K柱式模拟 称重传感器
HM9桥式模拟 称重传感器
HM8 称重传感器
HGQB 称重传感器
HM9L 鱼背式称重传感器
H3 称重传感器
Top
咨询热线(TEL)
18262992219
扫码添加微信
友情链接:
常州网络公司
防爆汽车衡
卷管器
SCF石晶地板
注塑机机械手
喷丝板
模具监视器
中国干燥设备网
称重仪表
机器人维修
无锡网络公司
兰州废品回收
冲压机器人
灌装机
地磅厂家
兰州高价废铝回收
附框
流延机
兰州高价废铝回收
常州计量检测
医用防火板
称重模块
自动焊锡机
植物油炼油设备
动物油炼油设备
动物油炼油设备
反渗透水处理设备
常州起重机维修
江阴起重机维修
常州起重机
称重模块
防爆电子秤
RO反渗透水处理设备
摇摆颗粒机
SPC地板
南京网络公司
安徽网络公司
灌装系统
常州网站建设
模板网站建设
新工商名录
商标注册
商标代理
称重设备
称重显示器
电子汽车衡
防爆电子秤
自动包装机
抖音广告
备案查询
机器人网
称重设备网
干燥设备
化工设备网
全自动灌装秤
称重设备
称重传感器
包装系统
天下查
天下商机
中国轴承网
中国机床网
中国减速机网
中国地板网
中国仪器网
中国刀具网
天下云商网
中国会计网
中国商标网
上海网络公司
北京网路公司
无锡网路公司
苏州网路公司
南京网站建设
常州百度优化
南京抖音运营
山东网路公司
400电话
河北网路公司
常州短视频制作